DMD0530

CTRUNVEL - CTRIO Run Velocity Mode


The CTRIO Run Velocity Mode (CTRUNVEL) instruction is used to run a Velocity Profile for the CTRIO module.

 

The red triangle in the upper left corner indicates the CTRIO Run Velocity Mode (CTRUNVEL) is a Fully Asynchronous instruction.

 

Note: The CTRUNVEL instruction can be used with both the CTRIO and CTRIO2 module.

 

Inputs:

The first input (E/R) in the Enable / Reset input. When this input logic is ON the specified Velocity Profile will be configured, and the Output will be enabled.

 

The second input (DIR) is the Direction. If the Direction input logic is OFF when the E/R input comes ON, the CTRIO will generate pulses for a move in the clockwise (positive) direction; If the Direction input logic is ON when the E/R input comes ON, the CTRIO will generate pulse for a move in the counter-clockwise (negative) direction.

 

The third input (SUS) is the Suspend input. When this input logic is ON the CTRIO will stop emitting output pulses. When this input logic goes back OFF the CTRIO will start emitting the remaining output pulses.

 

Parameters:

Note: Use the F9 key (Element Browser) at any time to see a complete list of the memory locations that are valid in the current field of the instruction.

 

Pulse Output Device - designates which of the pre-configured CTRIO Devices to interact with. Before this instruction can select a Pulse Output Device, a CTRIO Device must be configured with at least one of its output channels setup for Pulse/Direction or CW/CCW pulse output mode. Part of the configuration for a device is assigning a name to the device. It is that name which will show up in the Pulse Output Device selection drop-down menu. For more information on configuring CTRIO devices go to the Module Configuration Section under System Configuration.

 

Note: no devices available - indicates that there are no CTRIO Devices that have been pre-configured to perform this instruction.

 

Pulse Output Structure -  This field displays the name of the Pulse Output Structure that will be used by this instruction. This structure was created when the CTRIO module was configured during the Module Configuration phase.

 

Terminate Pulses - designates the event that will cause the CTRIO to stop sending pulses. The terminating event can be specified in one of the following four ways:

 

never - pulses will be generated as long as the Enable / Reset input logic is ON

 

after this Pulse Count -

  • Pulse Count - specifies the total number of pulses to generate. This can be any positive integer value from 0 to 2147483647, or any readable numeric location.

 

when Limit Level is detected - generate pulses at the described frequency until the following pre-defined Limit in the CTRIO is reached:

  • Limit Input - selects which of the following pre-defined Limit inputs  to use

    • 0 - Ch1/C

    • 1 - Ch1/D

    • 2 - Ch2/C

    • 3 - Ch2/D
       

  • Limit Level - selects which level of the pre-defined Limit to use:

    • 0 - High

    • 1 - Low

 

when Position is reached - generate pulses at the described frequency until the count value in the selected CTRIO input reaches a position value.

  • Stop when - selects which of the pre-defined CTRIO Input values to use and the comparison operator:

    • 0x00 - Ch1/Fn1 is less than

    • 0x10 - Ch1/Fn1 is greater than

    • 0x01 - Ch1/Fn2 is less than

    • 0x11 - Ch1/Fn2 is greater than

    • 0x02 - Ch2/Fn1 is less than

    • 0x12 - Ch2/Fn1 is greater than

    • 0x03 - Ch2/Fn2 is less than

    • 0x13 - Ch2/Fn2 is greater than

 

Note: choose the 'greater than' selection if the value of the CTRIO Input is increasing toward the Position value; choose the 'less than' selection if the value of the CTRIO Input is decreasing toward the Position value.
 

  • Target Position - specifies the Position value to compare to the selected CTRIO Input value. This can be any integer value or any readable numeric location.

 

Frequency - specifies the frequency of the pulses generated. This can be any constant value from 0 to 25,000 for the CTRIO, or from 0 to 250,000 for the CTRIO2, or any readable numeric location.

 

Duty Cycle - specifies the duty cycle of the pulses. A value of 0 is interpreted as 50%. This can be any constant value from 1 to 99 (corresponding directly to the duty cycle percentage), or any readable numeric location.

 

On Success - designates which of the following actions to take if the CTRIO Run Velocity Mode operation is successful, that is, the terminating event has occurred or the Enable / Reset input has turned OFF.

 

  • SET BIT - The specific BIT location will be turned OFF when the CTRIO Run Velocity Mode (CTRUNVEL) instruction is first enabled, and then SET ON if the operation is successful. This value can be any writable bit location.
     

  • JMP to Stage - JMP to the specified Stage. The target Stage must be in the same Program code block as the CTRIO Run Velocity Mode (CTRUNVEL) instruction, you cannot specify a Stage in a different Program code block. This selection will function like a standalone Jump to Stage instruction. Click here for more information on the Jump To Stage instruction.

 

On Error - designates which of the following two actions to take if the CTRIO Run Velocity Mode operation is unsuccessful. For example if the specified Limit Input is not configured as a Limit in the CTRIO module.

 

  • SET BIT - The specific BIT location will be turned OFF when the CTRIO Run Velocity Mode (CTRUNVEL) instruction is first enabled, and then SET ON if the operation is unsuccessful. This value can be any writable bit location.
     

  • JMP to Stage - JMP to the specified Stage. The target Stage must be in the same Program code block as the CTRIO Run Velocity Mode (CTRUNVEL) instruction, you cannot specify a Stage in a different Program code block. This selection will function the same as a standalone Jump to Stage instruction. Click here for more information on the Jump To Stage instruction.

 

Note: any time the On Error condition occurs, the CTRIO generates an Error Code that can be read in the <Module Name>.ErrorCode (Module Name is the name assigned to the CTRIO in the Module Configuration). The List of Error Code values (in decimal) follows:

 

Error Code

Description

000

No Error

100

Specified command code is unknown or unsupported

101

File number not found in the file system

102

File type is incorrect for specified output function

103

Profile type is unknown

104

Specified input is not configured as a limit on this output

105

Specified limit input edge is out of range

106

Specified input function is unconfigured or invalid

107

Specified input function number is out of range

108

Specified preset function is invalid

109

Preset table is full

110

Specified Table entry is out of range

111

Specified register number is out of range

112

Specified register is an unconfigured input or output

113

Specified output is not configured as a limit on this output

114

Specified preset function invalid in PLS table

115

Specified PLS function invalid in preset table

116

PLS table entries overlap

117

Attempted to use axis function when pulse output is not in Axis Mode

118

Specified output isn't a pulse output

 


Status Display:

The Status display of the CTRIO Run Position Mode (CTRUNPOS) instruction shows:

 

  • Values: Frequency, Duty Cycle, Pulse Count, Target Position
     

  • Highlight: .OutputEnabled, .OutputActive, .Direction, .OutputSuspended, .OutputStalled, bits
     

  • ON/OFF: On Success, On Error bits
     


CTRIO Structure Field Care-Abouts:

The following is a list of the"dot" fields of the CTRIO structure that are programmatically used with the CTRIO Run Velocity Mode (CTRUNVEL) instruction. To see a complete listing of all CTRIO structures and members, goto the Project Browser --> Configuration --> Memory --> I/O --> Specialty.

 

COLOR KEY

Blue: CTRIO Input

Maroon: CTRIO Output

Black: CTRIO Module

Silver: Not used for this instruction

 

Note: The red "x" is the digit 0, 1, 2, or 3.

 

CTRIO_000

CTRUNVEL

MEMBER

R/W

TYPE

DESCRIPTION

_CxFx.AtResetValue

RO

Bit

ON if CxFx count is at reset value

_CxFx.CaptureComplete

 

 

 

_CxFx.CapturedStart

 

 

 

_CxFx.CountCaptured

 

 

 

_CxFx.EnableCapture

 

 

 

_CxFx.fReg1

RO

Dword

If floating-point scaling is configured for CxFx in CTRIO2: Floating-point scaled value; otherwise, number has no meaning

_CxFx.fReg2

 

 

 

_CxFx.iReg1

RO

Dword

If integer or BCD scaling is configured for CxFx in CTRIO2: Signed-integer or BCD scaled value; otherwise, signed-integer raw count

_CxFx.iReg2

RO

Dword

If any scaling is configured for CxFx in CTRIO2: Signed-integer raw count; otherwise, number has no meaning

_CxFx.Output

 

 

 

_CxFx.Reset

R/W

Bit

Set ON to reset CxFx count

_CxFx.Timeout

 

 

 

_Outx.AtPosition

 

 

 

_Outx.AtVelocity

 

 

 

_Outx.Direction

RO

Bit

If using CTRIO2: ON when motor is moving counter-clockwise

_Outx.EnableOutput

 

 

 

_Outx.GotoPosition

 

 

 

_Outx.Output

 

 

 

_Outx.OutputActive

RO

Bit

ON when CTRIO output is generating pulses

_Outx.OutputEnabled

RO

Bit

ON when CTRIO output has been enabled

_Outx.OutputPosition

RO

Dword

Output raw position

_Outx.OutputStalled

RO

Bit

ON if CTRIO output cannot generate pulses because its scantime is too high

_Outx.OutputSuspended

RO

Bit

ON when CTRIO output has been suspended

_Outx.OutputVelocity

RO

Dword

If using CTRIO2: Current pulses per second rate being output by the CTRIO2

_Outx.TableComplete

 

 

 

.ErrorCode

RO

Word

Last CTRIO error code

.Mode

RO

Word

Indicates CTRIO mode: 2 = RUN; 1 = PROGRAM

.ScanTime

RO

Word

CTRIO scantime in microseconds

.MaxScanTime

RO

Word

Maximum CTRIO scantime in microseconds

.InputState

RO

Word

Upper byte is not used. Lower byte's nibbles indicate CTRIO's channel's input's state in order: .ChxD, .ChxC, .ChxB, .ChxA. It is a composite of these members

.OutputState

RO

Word

Each nibble indicates a CTRIO output configuration and state: .OutxType, .OutxDiscOn, .OutxDiscEnabled, .OutxPulseActive. It is a composite of these members

.ChxA

RO

Bit

ON when CTRIO Channel x Input A is ON

.ChxB

RO

Bit

ON when CTRIO Channel x Input B is ON

.ChxC

RO

Bit

ON when CTRIO Channel x Input C is ON

.ChxD

RO

Bit

ON when CTRIO Channel x Input D is ON

.OutxType

RO

Bit

Configuration: ON if CTRIO output x is configured for pulse output

.OutxDiscOn

RO

Bit

Status: ON if CTRIO output x logic is ON (if output x is enabled then the physical output will also be ON)

.OutxDiscEnabled

RO

Bit

Configuration: ON if CTRIO output x is configured for discrete output

.OutxPulseActive

RO

Bit

Status: ON if CTRIO output x is generating pulses

 


See Also:

 


Example 1 of 2:

Description of a Typical CTRIO Run Velocity Mode (CTRUNVEL) Stage Diagram:

 

To the right is a stage diagram of a simple sequence control that would home a motor to position and then allow any number of velocities using the CTRUNVEL instruction, a CTRIO and no predefined Pulse Profiles.

 

Initially the Home stage homes the motor to a proximity switch connected to the CTRIO input. When this is complete it transitions to the RstCnt (ResetCount) stage.

 

The RstCnt stage resets the CTRIO encoder input count to zero (0) since the starting position of the motor will be ascertained via encoder and then transitions to the StartPos (StartPosition) stage.

 

The StartPos stage positions the motor depending upon a variable and monitoring of the encoder input count of the CTRIO. When this position is reached it transitions to the GenPulse (GeneratePulses) stage where all subsequent velocities are executed. When all velocities have been completed, the transition is made to the Stop stage.

 

The Stop stage simply exits the Program code block

 

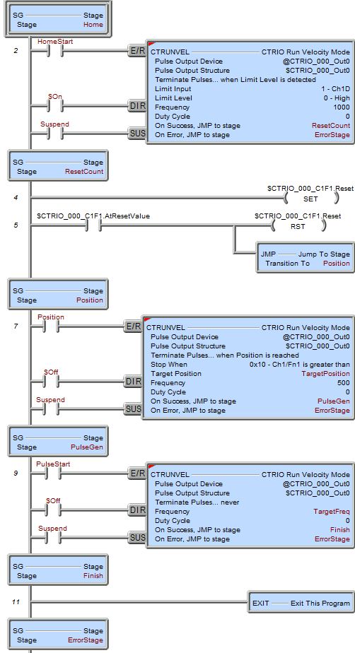
Description of a Typical CTRIO Run Velocity Mode (CTRUNVEL) Stage Ladder:

 

To the right is the ladder equivalent of the above stage diagram that uses the CTRUNVEL instruction which will home a motor to position and then allow any number of velocities using the CTRUNVEL instruction, a CTRIO and no predefined Pulse Profiles.

 

This example presupposes the existence of the following System Configuration for the CTRIO (PLC --> System Configuration --> Module Configuration(s) --> CTRIO_000 -->):

  • Configure I/O -->

    • Outputs --> Out0 --> Pulse (Step/Dir).

    • Inputs -->

      • A --> Quad Counter.

      • D --> Limit Out 0.

  • A stepper motor is wired to CTRIO Output 0 and Output 1.

  • A quadrature encoder associated with the stepper motor is wired to CTRIO2 Input A and Input B.

  • A normally open proximity sensor is wired to CTRIO Input D.

 

Home is the initial state which waits for HomeStart bit to come ON. The direction (DIR input leg) is assumed to be in the reverse direction thus it is always ON ($On). The Suspend bit can be used to temporarily suspend the home-search. When the HomeStart bit comes ON, if there is an error the CTRUNVEL instruction will immediately transition to the ErrorStage stage, where ladder logic should exist (not shown here) to handle the error (e.g. read $CTRIO_000.ErrorCode). If no error occurs the CTRUNVEL enables the output and begins generating pulses at the Frequency (1000) value looking for a high level on Ch1D input. When the CTRIO sees the signal on Input D, pulses are stopped and transition is made to the ResetCount stage.

 

Since the starting position of the motor will be ascertained via encoder, the ResetCount stage resets the input count by turning the $CTRIO_000_C1F1.Reset bit ON. When the CTRIO acknowledges this reset has occurred, $CTRIO_000_C1F1.AtResetValue bit will come ON. When this feedback bit comes ON it will turn the $CTRIO_000_C1F1.Reset bit OFF (so channel 1 can count) and transitions to the Position stage.

 

Position stage waits for Position bit to come ON. The direction (DIR input leg) is assumed to be in the forward direction thus it is always OFF ($Off). The Suspend bit can be used to temporarily suspend the positioning. Before the Position bit is turned ON, the TargetPosition must be set to the desired position. When the Position bit comes ON, if there is an error the CTRUNVEL instruction will immediately transition to the ErrorStage stage. If no error occurs the CTRUNVEL generates pulses at the Frequency value (500) until the Stop When parameter conditions are met. When the position is reached the CTRUNVEL instruction transitions to the PulseGen stage.

 

The PulseGen stage waits for the PulseStart bit to come ON. The direction (DIR input leg) is assumed to be in the forward direction thus it is always OFF ($Off). The Suspend bit can be used to temporarily suspend the pulse generation. Before the PulseStart bit is turned ON, the TargetFreq must be set to the desired frequency. When the PulseStart bit comes ON, if there is an error the CTRUNVEL instruction will immediately transition to the ErrorStage stage. If no error occurs the CTRUNVEL generates pulses at the Frequency value (500) "forever" (because the Terminate Pulses parameter is set to "never"). While the CTRUNVEL instruction is running any number of different frequency values can be written to the Frequency parameter, TargetFreq, and the CTRIO output will immediately (i.e. no acceleration/deceleration) generate pulses at that frequency. When all desired frequencies have been completed the PulseStart bit must be turned OFF. This will cause the CTRIO output to stop generating pulses immediately and transition to the Finish stage.

 

The Finish stage simply exits this Program code block.


Example 2 of 2:


Copyright Host Engineering, Inc. ALL RIGHTS RESERVED