Topic: DMD0524

CTAXTRAP - CTRIO2 Axis Run Trapezoid


Note: The CTAXTRAP instruction can only be used with the CTRIO2 module.

 

The CTRIO2 Axis Run Trapezoid (CTAXTRAP) instruction is used to define and initiate a single move. The move will execute using the parameters defined in the CTRIO2 Axis Configuration (CTAXCFG) instruction executed before the CTAXTRAP. Click here for more information on the Axis Configuration instruction.

 

The position move is specified in terms of absolute or relative position values.

 

The red triangle in the upper left corner indicates the CTRIO2 Axis Run Trapezoid (CTAXTRAP) is a Fully Asynchronous instruction.

 

Inputs:

The first input (E/R) in the Enable / Reset input. When this input logic is ON the specified Pulse Output will be enabled (.OutputEnabled = ON) and the Pulse Output Device will begin to move in the direction specified by the Target Type and Target Position.

 

The second input (SUS) is the Suspend input.

When this input logic transitions ON, the CTRIO2 will ramp down to zero using the Deceleration Rate specified in the Axis Configuration (CTAXCFG) instruction. No additional pulses will be emitted as long as this input remains ON.

When this input logic transitions OFF the CTRIO2 will ramp up to the Maximum Frequency using the Acceleration Rate specified in the Axis Configuration (CTAXCFG) instruction toward the Target Position.

 

Parameters:

Note: Use the F9 key (Element Browser) or Down-Arrow key (Auto-Complete) at any time to see a complete list of the memory locations that are valid in the current field of the instruction.

 

Pulse Output Device - designates which of the pre-configured CTRIO2 Devices to interact with. Before this instruction can select a Pulse Output Device, a CTRIO2 Device must be configured with at least one of its output channels setup for Pulse/Direction or CW/CCW pulse output mode.

 

Part of the configuration for a device is assigning a name to the device. It is that name which will show up in the Pulse Output Device selection drop-down menu. For more information on configuring CTRIO2 devices go to the Module Configuration Section under System Configuration.

 

Note: no devices available - indicates that there are no CTRIO2 Devices that have been pre-configured to perform this instruction. Selecting 'create module' from the drop-down list will invoke the Create New Module Configuration dialog.

 

Note: create module - Selecting this will immediately pull up the System Configuration and allow the creation of a new module (see Module Configuration Section under System Configuration.)

 

Pulse Output Structure - This field displays the name of the Pulse Output Structure that will be used by this instruction. This structure was created when the CTRIO2 module was configured during the Module Configuration phase.

 


Target Type - this option specifies how to interpret the target position value

 

  • Absolute - select this option to generate a move to a fixed location. The number of pulses emitted and the direction of the move are determined by the difference between Target Position value and the current Pulse Output position (.OutputPosition).

    For example, move to the 2-foot position (a point), regardless of the current output position. To move to another location after a move is complete disable the E/R input, change the Target Position and re-enable the E/R leg.
     

  • Relative - select this option to generate a move relative to the current Pulse Position value (.OutputPosition). The sign of the Target Position value will determine the direction of the move: positive values emit pulses for a move in the clockwise direction, negative values emit pulses for a move in the negative direction.

    For example, move 2 feet forward (a distance) from the current output position. To move another 2 feet forward, disable then enable the
    E/R input after the previous move completes.

    Zero-out position before Run
    - select this to zero-out the current Pulse Position value (.OutputPosition) before doing the Relative move.

 


 

Target Position - specifies the fixed location (a point) if the Target Type is Absolute, or the number of steps (a distance) to move if the Target Type is Relative. This can be any positive or negative constant value, or any readable numeric location.

 


 

On Success - designates which of the following actions to take if the CTRIO2 Axis Run Trapezoid operation was successful

 

  • SET BIT - The specific BIT location will be turned OFF when the CTRIO2 Axis Run Trapezoid (CTAXTRAP) instruction is first enabled, and then SET ON if the operation is successful. This value can be any writable bit location.
     

  • JMP to Stage - JMP to the specified Stage. The target Stage must be in the same Program code block as the CTRIO2 Axis Run Trapezoid (CTAXTRAP) instruction, you cannot specify a Stage in a different Program code block. This selection will function like a standalone Jump to Stage instruction. Click here for more information on the Jump To Stage instruction.

 

On Error - designates which of the following two actions to take if the CTRIO2 Axis Run Trapezoid (CTAXTRAP) operation was unsuccessful. For example if this instruction tries to target a CTRIO module (not a CTRIO2), or if the specified output device is not configured as a Pulse Output.
 

  • SET BIT - The specific BIT location will be turned OFF when the CTRIO2 Axis Run Trapezoid (CTAXTRAP) instruction is first enabled, and then SET ON if the operation is unsuccessful. This value can be any writable bit location.
     

  • JMP to Stage - JMP to the specified Stage. The target Stage must be in the same Program code block as the CTRIO2 Axis Run Trapezoid (CTAXTRAP) instruction, you cannot specify a Stage in a different Program code block. This selection will function like a standalone Jump to Stage instruction. Click here for more information on the Jump To Stage instruction.

 

Note: any time the On Error condition occurs, the CTRIO2 generates an Error Code that can be read in the <Module Name>.ErrorCode (Module Name is the name assigned to the CTRIO2 in the Module Configuration). The List of Error Code values (in decimal) follows:

 

Error Code

Description

000

No Error

100

Specified command code is unknown or unsupported

101

File number not found in the file system

102

File type is incorrect for specified output function

103

Profile type is unknown

104

Specified input is not configured as a limit on this output

105

Specified limit input edge is out of range

106

Specified input function is unconfigured or invalid

107

Specified input function number is out of range

108

Specified preset function is invalid

109

Preset table is full

110

Specified Table entry is out of range

111

Specified register number is out of range

112

Specified register is an unconfigured input or output

113

Specified output is not configured as a limit on this output

114

Specified preset function invalid in PLS table

115

Specified PLS function invalid in preset table

116

PLS table entries overlap

117

Attempted to use axis function when pulse output is not in Axis Mode

118

Specified output isn't a pulse output

 


Status Display:

The Status display of the CTRIO2 Axis Run Trapezoid (CTAXTRAP) instruction shows:

 

  • Values: .OutputPosition, Target Position
     

  • Highlights: .OutputEnabled, .OutputActive, .OutputSuspended, .OutputStalled bits
     

  • ON/OFF: On Success, On Error bits


CTRIO2 Structure Field Care-Abouts:

The following is a list of the"dot" fields of each Pulse Output Structure that are programmatically used with the CTRIO2 Axis Run Trapezoid (CTAXTRAP) instruction. To see a complete listing of all CTRIO structures and members, goto the Project Browser --> Configuration --> Memory --> I/O --> Specialty.

 

COLOR KEY

Blue: CTRIO2 Input

Maroon: CTRIO2 Output

Black: CTRIO2 Module

Silver: Not used for this instruction

 

Note: The red "x" is the digit 0, 1, 2, or 3.

 

CTRIO_000

CTAXTRAP

MEMBER

R/W

TYPE

DESCRIPTION

_CxFx.AtResetValue

RO

Bit

ON if CxFx count is at reset value

_CxFx.CaptureComplete

 

 

 

_CxFx.CapturedStart

 

 

 

_CxFx.CountCaptured

 

 

 

_CxFx.EnableCapture

 

 

 

_CxFx.fReg1

RO

Dword

If floating-point scaling is configured for CxFx in CTRIO2: Floating-point scaled value; otherwise, number has no meaning

_CxFx.fReg2

 

 

 

_CxFx.iReg1

RO

Dword

If integer or BCD scaling is configured for CxFx in CTRIO2: Signed-integer or BCD scaled value; otherwise, signed-integer raw count

_CxFx.iReg2

RO

Dword

If any scaling is configured for CxFx in CTRIO2: Signed-integer raw count; otherwise, number has no meaning

_CxFx.Output

 

 

 

_CxFx.Reset

R/W

Bit

Set ON to reset CxFx count

_CxFx.Timeout

 

 

 

_Outx.AtPosition

 

 

 

_Outx.AtVelocity

 

 

 

_Outx.Direction

RO

Bit

ON when motor is moving counter-clockwise

_Outx.EnableOutput

 

 

 

_Outx.GotoPosition

 

 

 

_Outx.Output

 

 

 

_Outx.OutputActive

RO

Bit

ON when CTRIO2 output is generating pulses

_Outx.OutputEnabled

RO

Bit

ON when E/R input comes ON which enables CTRIO2 output

_Outx.OutputPosition

RO

Dword

CTRIO2 output raw position (or encoder feedback position if CTAXCFG is configured as such)

_Outx.OutputStalled

RO

Bit

ON if CTRIO2 output cannot generate pulses because its scantime is too high

_Outx.OutputSuspended

RO

Bit

ON when the SUS input comes ON which suspends the CTRIO2 output

_Outx.OutputVelocity

RO

Dword

Current pulses per second rate being output by the CTRIO2

_Outx.TableComplete

 

 

 

.ErrorCode

RO

Word

Last CTRIO2 error code

.Mode

RO

Word

Indicates CTRIO2 mode: 2 = RUN; 1 = PROGRAM

.ScanTime

RO

Word

CTRIO2 scantime in microseconds

.MaxScanTime

RO

Word

Maximum CTRIO2 scantime in microseconds

.InputState

RO

Word

Upper byte is not used. Lower byte's nibbles indicate CTRIO2's channel's input's state in order: .ChxD, .ChxC, .ChxB, .ChxA. It is a composite of these members

.OutputState

RO

Word

Each nibble indicates a CTRIO2 output configuration and state: .OutxType, .OutxDiscOn, .OutxDiscEnabled, .OutxPulseActive. It is a composite of these members

.ChxA

RO

Bit

ON when CTRIO2 Channel x Input A is ON

.ChxB

RO

Bit

ON when CTRIO2 Channel x Input B is ON

.ChxC

RO

Bit

ON when CTRIO2 Channel x Input C is ON

.ChxD

RO

Bit

ON when CTRIO2 Channel x Input D is ON

.OutxType

RO

Bit

Configuration: ON if CTRIO2 output x is configured for pulse output

.OutxDiscOn

RO

Bit

Status: ON if CTRIO2 output x logic is ON (if output x is enabled then the physical output will also be ON)

.OutxDiscEnabled

RO

Bit

Configuration: ON if CTRIO2 output x is configured for discrete output

.OutxPulseActive

RO

Bit

Status: ON if CTRIO2 output x is generating pulses

 


See Also:

 


Example 1 of 2:

Description of a Typical CTRIO2 Axis Run Trapezoid (CTAXTRAP) Stage Diagram:

To the right is a stage diagram of a simple sequence control that would move a motor to any number of relative positions and stop.

 

Initially the Config stage waits for Configured to come ON. When it does the CTRIO2 axis has been configured and the process transitions to the TrapRun stage.

 

The TrapRun stage runs a trapezoid motion to the relative position specified. When that position is reached it transitions to the InPos stage.

 

If that was the last relative position then the InPos stage transitions to the Stop stage when the Done bit comes ON. If that was not the last relative position then the InPos stage transitions back to the TrapRun stage when a new relative position has been written and the NextMove bit turns ON.

 

The Stop stage merely exits this Program code block.

 

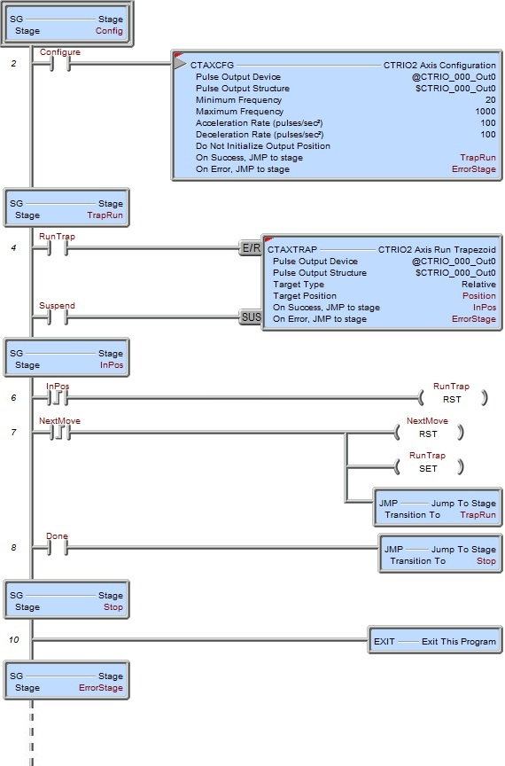
Description of a Typical CTRIO2 Axis Run Trapezoid (CTAXTRAP) Stage Ladder:

To the right is the ladder equivalent of the above stage diagram that uses the CTAXTRAP instruction which will move a stepper motor attached to the CTRIO2's pulse output to any number of relative positions using an axis configuration (CTAXCFG) profile, and then stop.

 

This example presupposes the existence of the following System Configuration for the CTRIO2 (PLC --> System Configuration --> Module Configuration(s) --> CTRIO_000 -->):

  • Configure I/O --> Outputs --> Out0 --> Pulse (Step/Dir) or Pulse (CW/CCW).

  • A stepper motor is wired to CTRIO2's Output 0 and Output 1.

 

Config is the initial stage which waits for the input Configure bit to come ON. When it does if there is an error then it immediately transitions to the ErrorStage. If there is no error then the CTAXCFG instruction configures an axis. When it is finished it jumps to the TrapRun stage.

 

TrapRun stage waits for RunTrap bit to come ON. When it does this enables the CTAXTRAP instruction which causes the following to happen:

  • If there is an error then the CTAXTRAP instruction immediately transitions to the ErrorStage.

  • If there is no error then the CTRIO2 pulse output is enabled ($CTRIO_000_Out0.OutputEnabled = ON).

  • The CTRIO2 output accelerates at the Acceleration Rate toward Maximum Frequency and decelerates at the Deceleration Rate (all as specified in the CTAXCFG instruction) as it approaches the relative Target Position value stored in the Position variable.

  • Once the Target Position is reached it disables the pulse output ($CTRIO_000_Out0.OutputEnabled = OFF) and transitions to the InPos stage.

 

If during the execution of this move, the Suspend bit comes ON then the CTRIO2 output will decelerate to zero. When Suspend bit goes back OFF it will accelerate back towards the CTAXCFG's Maximum Frequency.

 

When the InPos stage is enabled it will reset the RunTrap bit OFF. If that was the last relative move then the Done bit would be turned ON and transition would be made to the Stop stage. If this was not the last relative move then another value should be loaded into the Position variable and the NextMove bit should be toggled ON. When the NextMove bit comes ON it will clear itself OFF and set the RunTrap bit back ON and transition back to the TrapRun stage.

 

The Stop stage merely exits this Program code block.

 

The ErrorStage would contain  ladder logic (not shown here) that would properly handle the error (e.g. to process the $CTRIO_000.ErrorCode value).

 


Example 2 of 2:


Copyright © Host Engineering, Inc. ALL RIGHTS RESERVED